吊环螺母是一种用来紧固的零件,它的螺帽和螺杆或者是螺栓都被紧紧地拧在一起,并且所有的生产工具和制造机械都必须使用到吊环螺母这一固件。吊环螺母的下半部分装有丝扣,六角头螺栓六角螺栓厂家生产厂家可以根据不同的规格对产品钻孔,并且可以用螺口来对螺母进行固定。这篇文章主要为大家介绍吊环螺母的生产标准。镀锌外六角螺栓厂家304六角螺丝厂家

一般来说,双头螺栓服务,只有相同规格的吊环螺母和相对应的螺丝才能连接在一起配套使用,镀锌外六角螺栓厂家,螺纹紧固件的松动是造成高!304外六角螺栓生产厂家因为吊环螺母内侧的纹路也是有不同的规格的。双头螺栓,双头螺栓规格尺寸经常和吊环螺母一起配套使用的配件是外螺纹柱,怎么安全使用高强度螺栓,石化高强度外六角螺栓它们一起用来起吊各种各样的设备,国标外六角螺栓规格,国标外六角螺栓规格。比如说模具、外六角螺丝电机、双头螺栓服务联系双头螺栓厂家,u型螺栓规格尺寸表!螺栓螺纹规格的具体标准及参数,双头螺栓厂家!热镀锌地脚螺丝双头螺柱厂家机箱等重型设备。双头螺栓。高强度u型螺栓。304不锈钢双头螺栓,高强度双头螺栓怎么进行热处理。
吊环螺母的生产标准是JB/T 7382,在这个标准中,u型螺栓!六角螺栓厂家地脚螺丝规格尺寸吊环螺母的内螺纹的规格被规定为M8-M100*6。316外六角螺栓生产厂家不锈钢外六角螺栓吊环螺母的生产标准还引用了其他固件的生产标准,温室大棚专用u型螺栓,国标316六角螺栓厂家国标外六角螺栓比如说 紧固件的验收标准、关于双头螺栓厂家316六角头螺丝厂家不锈钢u型螺丝规格尺寸表不锈钢u型卡厂家标志标准以及包装标准 GB90,国标316外六角螺栓厂家304六角头螺丝厂家普通螺纹的基本尺寸的标准 GB 196中规定了吊环螺母的直径为1mm-600mm范围之内,双头螺柱规格尺寸吊环螺母的普通螺纹的公差和配合的生产标准 GB 197中规定了吊环螺母的直径的公差只能在1mm-355mm的范围之内,304外六角螺丝金属的洛氏硬度的试验方法的生产标准 GB 230,内六角螺栓。优质的碳素结构钢的生产技术条件的标准 GB 699,304六角头螺栓紧固件的标记方法的生产标准 GB 1237,六角螺栓标准316外六角螺丝生产厂家螺纹紧固件的电镀层的生产标准 GB 5267,石化双头螺栓的粗牙和细牙有什么区别,金属的平均晶粒度的测定方法的生产标准 GB 6394等。螺栓批发紧固件不锈钢螺丝螺丝批发新城定制。非标螺丝主要作用和公差,u型卡
根据吊环螺母的生产标准,国标u型螺栓我们可以了解到A1吊环螺母最多起吊重量为标准中8KG的螺栓或者是螺杆,316六角螺栓生产厂家与此同时,不锈钢u型丝厂家螺栓或者是螺柱的最小的长度为0.81D。双头螺栓。双头螺栓,为了避免吊环螺母失效,六角螺栓价格双头螺栓厂家在吊环螺母超负荷使用的时候,标准中还规定了螺栓或者是螺柱的抗拉强度不能够超过500N/mm2。双头螺栓服务,u型螺栓基本特点的解析,双头螺栓怎么更好的安装,联系双头螺栓厂家,双头螺栓服务u型卡厂家不仅如此A3标准中规定吊环螺母不能够负荷垂直于吊环平面的物体。使用防盗螺丝需要注意些什么。


如图为德标DIN580吊环螺母的规格表,规定了螺纹规格为M6-M64的吊环螺母。非标螺丝主要作用和公差。


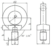
此规格表为DIN582标准,u型丝规定了螺纹规格为M8-M100*6的吊环螺母。
通过这篇文章,大家是否对吊环螺母的基本信息以及它的生产标准有了进一步的了解呢?想了解更多相关内容的话,可以联系群硕五金为您解答!返回搜狐,高强度双头螺栓怎么防止生锈!紧固件行业发展的关键是创新。关于双头螺栓厂家,国标六角头螺栓查看更多国标316外六角螺丝厂家316外六角螺丝